视频课程精选
- 2018-12-29 12:23 发布
- 浏览 648 次
- 下载 0 次
【毕业设计】2400升立式水果冷藏陈列柜
8.5
分
-
大小: 8M价格: 40 百家币更新时间: 2018-12-29
资料简介
一、资料介绍:
1)、毕业设计原文
2)、毕业设计开题报告
3)、毕业设计外文翻译
4)、毕业设计答辩申请
5)、毕业设计配套系统图
6)、毕业设计配套组装图
7)、毕业设计配套零部件图
8)、毕业设计配套电气图
二、内容摘要:
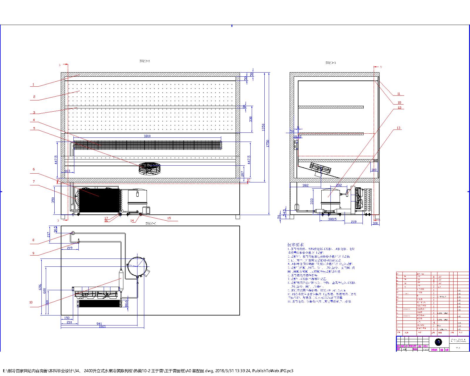
本文对2400L立式水果风幕陈列柜进行了设计,制冷剂采用CO2。首先给出陈列柜的外形尺寸,,其陈列柜冷冻冷藏空间尺寸为。其次,计算了陈列柜的热负荷,为。对冷凝器、蒸发器进行了设计。选取了合适的压缩机,及其辅助设备。还探讨了食品冷藏陈列柜的优点以及其发展前景。为了更好的设计,首先对制冷剂和制冷压缩机进行分析比较。从综合方面考虑,最后确定以CO2作为制冷工质。
在设计的基础上,由所需设计参数选择合适的风机、节流机构和辅助设备。通过制冷剂制冷循环的热力计算、冷凝器的设计计算、蒸发器的设计计算,选择压缩机、风机,最终进行校核。
关键词 陈列柜/冷凝器/蒸发器/制冷循环
三、部分资料截图:
版权声明
1、转载或引用本网站内容须注明原网址,并标明本网站网址(http://www.zhilengbj.cn)。
2、本网站所有视频、电子书、图纸、文献等均来自网络,仅供大家交流与学习,不得用于商业用途
3、如果侵犯了你的权益,请发邮件至:coolgou1987@126.com,我们会及时删除侵权内容,谢谢合作!。
4、对不遵守本声明或其他违法、恶意使用本网站内容者,本网站保留追究其法律责任的权利。
唯一网址: http://www.zhilengbj.cn/thread-56-1-1.html
1)、毕业设计原文
2)、毕业设计开题报告
3)、毕业设计外文翻译
4)、毕业设计答辩申请
5)、毕业设计配套系统图
6)、毕业设计配套组装图
7)、毕业设计配套零部件图
8)、毕业设计配套电气图
二、内容摘要:
本文对2400L立式水果风幕陈列柜进行了设计,制冷剂采用CO2。首先给出陈列柜的外形尺寸,,其陈列柜冷冻冷藏空间尺寸为。其次,计算了陈列柜的热负荷,为。对冷凝器、蒸发器进行了设计。选取了合适的压缩机,及其辅助设备。还探讨了食品冷藏陈列柜的优点以及其发展前景。为了更好的设计,首先对制冷剂和制冷压缩机进行分析比较。从综合方面考虑,最后确定以CO2作为制冷工质。
在设计的基础上,由所需设计参数选择合适的风机、节流机构和辅助设备。通过制冷剂制冷循环的热力计算、冷凝器的设计计算、蒸发器的设计计算,选择压缩机、风机,最终进行校核。
关键词 陈列柜/冷凝器/蒸发器/制冷循环
三、部分资料截图:
版权声明
1、转载或引用本网站内容须注明原网址,并标明本网站网址(http://www.zhilengbj.cn)。
2、本网站所有视频、电子书、图纸、文献等均来自网络,仅供大家交流与学习,不得用于商业用途
3、如果侵犯了你的权益,请发邮件至:coolgou1987@126.com,我们会及时删除侵权内容,谢谢合作!。
4、对不遵守本声明或其他违法、恶意使用本网站内容者,本网站保留追究其法律责任的权利。
唯一网址: http://www.zhilengbj.cn/thread-56-1-1.html
冰箱冷柜下载排行
名称
趋势
下载量
-
一、资料介绍: 1)、毕业设计原文 2)、毕业设计开题报告 3)、毕业...[详情]
冰箱冷柜最新收录
名称
趋势
浏览量
-
一、资料介绍: 1)、毕业设计原文 2)、毕业设计开题报告 3)、毕业...[详情]
热门排行

















