视频课程精选
- 2018-12-28 23:43 发布
- 浏览 705 次
- 下载 0 次
【毕业设计】直膨式太阳能热泵热水器设计
8.5
分
-
大小: 12.2M价格: 40 百家币更新时间: 2018-12-28
资料简介
一、资料介绍:
1)、毕业设计原文
2)、毕业设计开题报告
3)、毕业设计外文翻译
4)、毕业设计答辩申请
5)、毕业设计配套系统图
6)、毕业设计配套组装图
7)、毕业设计配套零部件图
8)、毕业设计配套电气图
二、内容摘要:
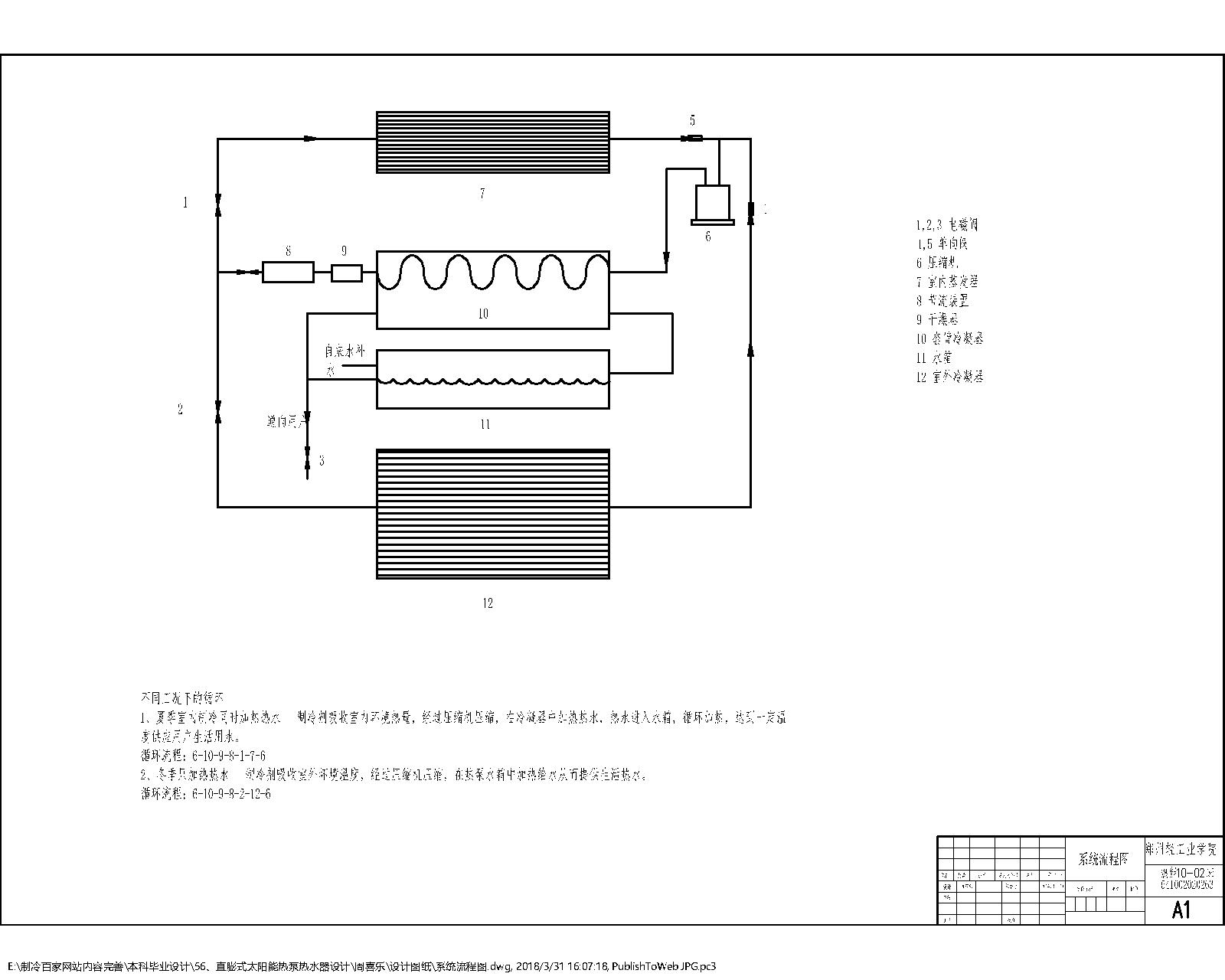
多功能热泵空调热水一体系统是将建筑物夏季供冷,冬季供热功能与热泵热水功能集成为一体的建筑物小型综合能源系统。整个系统只是在普通热泵空调的基础上增加水一制冷剂换热器和一些管道以及阀门等附件,是一种提高空调设备利用率和提高空调器整体能源利用率的系统。该系统在夏季的时候利用空调制冷时向环境排放的热量制取生活热水;过渡季节可以独立作为热泵热水器运行;冬季在制热和制热水间交替运行,利用不向建筑物供热的时间制取生活热水。本文对多功能空调热水一体系统的原理及其在空气源热泵和地源热泵系统上的应用进行了详细的分析和研究。
本文提出多功能空气源热泵空调热水一体系统,对系统构成和功能分析的基础上,设计和搭建了家用多功能热泵空调热水试验系统。在该试验系统上完成了夏季制冷兼制热水的试验和春秋季以及冬季单独制热水的试验。试验结果表明获得40℃和50℃的生活热水,夏季制热水性能系数达到2.5~4.0,春秋过渡季节在2.9~2.2之间变化。冬季的平均制热水性能系数可以达到2.1。试验验证了系统可靠性和节能效果。
根据多功能空气源热泵空调热水系统与太阳能热水系统联合运行的构想,完成了两者联合运行的初步试验,试验数据表明两者可以联合运行降低制热水的能耗,同等升温幅度的情况下先运行热泵比后运行热泵耗时少,耗能少。
关键词 多功能/复合热水系统/空调/太阳能热泵/系统模拟/节能
三、部分资料截图:
版权声明
1、转载或引用本网站内容须注明原网址,并标明本网站网址(http://www.zhilengbj.cn)。
2、本网站所有视频、电子书、图纸、文献等均来自网络,仅供大家交流与学习,不得用于商业用途
3、如果侵犯了你的权益,请发邮件至:coolgou1987@126.com,我们会及时删除侵权内容,谢谢合作!。
4、对不遵守本声明或其他违法、恶意使用本网站内容者,本网站保留追究其法律责任的权利。
唯一网址: http://www.zhilengbj.cn/thread-102-1-1.html
1)、毕业设计原文
2)、毕业设计开题报告
3)、毕业设计外文翻译
4)、毕业设计答辩申请
5)、毕业设计配套系统图
6)、毕业设计配套组装图
7)、毕业设计配套零部件图
8)、毕业设计配套电气图
二、内容摘要:
多功能热泵空调热水一体系统是将建筑物夏季供冷,冬季供热功能与热泵热水功能集成为一体的建筑物小型综合能源系统。整个系统只是在普通热泵空调的基础上增加水一制冷剂换热器和一些管道以及阀门等附件,是一种提高空调设备利用率和提高空调器整体能源利用率的系统。该系统在夏季的时候利用空调制冷时向环境排放的热量制取生活热水;过渡季节可以独立作为热泵热水器运行;冬季在制热和制热水间交替运行,利用不向建筑物供热的时间制取生活热水。本文对多功能空调热水一体系统的原理及其在空气源热泵和地源热泵系统上的应用进行了详细的分析和研究。
本文提出多功能空气源热泵空调热水一体系统,对系统构成和功能分析的基础上,设计和搭建了家用多功能热泵空调热水试验系统。在该试验系统上完成了夏季制冷兼制热水的试验和春秋季以及冬季单独制热水的试验。试验结果表明获得40℃和50℃的生活热水,夏季制热水性能系数达到2.5~4.0,春秋过渡季节在2.9~2.2之间变化。冬季的平均制热水性能系数可以达到2.1。试验验证了系统可靠性和节能效果。
根据多功能空气源热泵空调热水系统与太阳能热水系统联合运行的构想,完成了两者联合运行的初步试验,试验数据表明两者可以联合运行降低制热水的能耗,同等升温幅度的情况下先运行热泵比后运行热泵耗时少,耗能少。
关键词 多功能/复合热水系统/空调/太阳能热泵/系统模拟/节能
三、部分资料截图:
版权声明
1、转载或引用本网站内容须注明原网址,并标明本网站网址(http://www.zhilengbj.cn)。
2、本网站所有视频、电子书、图纸、文献等均来自网络,仅供大家交流与学习,不得用于商业用途
3、如果侵犯了你的权益,请发邮件至:coolgou1987@126.com,我们会及时删除侵权内容,谢谢合作!。
4、对不遵守本声明或其他违法、恶意使用本网站内容者,本网站保留追究其法律责任的权利。
唯一网址: http://www.zhilengbj.cn/thread-102-1-1.html
热泵技术下载排行
名称
趋势
下载量
-
一、资料介绍: 1)、毕业设计原文 2)、毕业设计开题报告 3)、毕业...[详情]
热泵技术最新收录
名称
趋势
浏览量
-
一、资料介绍: 1)、毕业设计原文 2)、毕业设计开题报告 3)、毕业...[详情]
热门排行
-
【毕业设计】地源热泵系统加太阳能冬季供暖设计
-
【毕业设计】3kw分体式水源热泵系统设计
-
【毕业设计】100KW空气源热泵热水器
-
【毕业设计】28kW整体式水源热泵
-
【毕业设计】800KW水源热泵机组设计
-
【毕业设计】30KW空气源热泵热水器设计
-
【毕业设计】150L即热式热泵热水器
-
【毕业设计】35KWCO2跨临界热泵机组设计
-
【毕业设计】100㎡空气源热泵水地暖系统
-
【毕业设计】220L空气源热泵热水器设计
-
【毕业设计】4HP三联供热泵机组设计
-
【毕业设计】300m2空气源热泵水地暖系统
-
【毕业设计】150升即热式二氧化碳热泵热水器
-
【毕业设计】U型地埋管换热器的地源热泵空调系统设计
-
【毕业设计】直膨式太阳能热泵热水器设计
-
【毕业设计】冰盘管蓄冷的地热泵空调系统设计
-
【毕业设计】7KW分体式水源热泵机组

















